发布时间:2019-11-05 08:32 浏览次数:16724
概 述: |
冲量式流量计(冲板流量计)主要应用于化工、水泥、冶金矿山、钢厂、电解铝、粮食加工、医药、水处理、环境保护等物料流体的测量。流量计可对各种物料流量进行在线连续测量,具有瞬时流量、累计流量、按比例配料、定量控制等多种输出功能。
流量计为整体设计,杜绝了工厂产品的浪费和污染,降低了工厂维护。保证了产品质量和工厂效率。由于流量计为紧密防尘型,它可给pp电子-pp电子极速糖果1000(集团)有限公司提供一个健康的工作环境。特别对于有危险物质检测的工况。
原 理: |
干燥的散装固体物料自由落体冲击到传感检测板(冲板)上后,传感检测板产生机械偏移。然后散装物料流连续而无阻碍的通过。即:由于冲击力与传感检测板具有一定角度,故该力分解成一个水平分力和一个垂直分力。垂直分力由变送器的机械结构克服而不起作用,而水平分力有一个差动传感器(线性可调差动变送器),这个信号经与之相连的积算仪检测和处理,得出瞬时流量和累积流量。
由于只测水平分力,在非碰撞区由挂料产生的竖直重力对测量没有影响。没有零点漂移。也不需要频繁再校准。
仪表配套: |
本仪表由(一次表)粉体冲量式流量变送器;(二次表)粉体冲量式流量仪;稳流装置(一般情况下,由生产厂指导用户设计、制造)三部分组成(需流量调解时应配流量调节器),系统配套见下图

技术参数: |
|
产品型号
|
LFD-227 |
产品型号
|
LFD-229 |
|
流量范围
|
最小流量范围;0~200Kg/h 最大流量范围;0~40t/h |
流量范围
|
最小流量范围;0~30t/h 最大流量范围;0~200t/h |
|
精 度
|
(0.3);0.5;1.0;1.5;(2.0) |
精 度
|
(0.3);0.5;1.0;1.5;(2.0) |
|
最大冲板尺寸
|
400×400mm |
最大冲板尺寸
|
800×800mm |
|
最大检测板重量
|
15Kg |
最大检测板重量
|
50Kg |
|
固体物料粒重
|
≤5%的冲板重量(一般在≤15mm) |
固体物料粒重
|
≤5%的冲板重量(一般在≤25mm) |
|
介质使用温度
|
≤180℃ |
介质使用温度
|
≤180℃ |
|
产品型号
|
LFD-1211 |
产品型号
|
LFD-129 |
|
流量范围
|
最小流量范围;0~750Kg/h 最大流量范围;0~800t/h |
流量范围
|
最小流量范围;0~30t/h 最大流量范围;0~200t/h |
|
精 度
|
(0.3);0.5;1.0;1.5;(2.0) |
精 度
|
(0.3);0.5;1.0;1.5;(2.0) |
|
最大冲板尺寸
|
1250×800mm |
最大冲板尺寸
|
800×800mm |
|
最大检测板重量
|
80Kg |
最大检测板重量
|
50Kg |
|
固体物料粒重
|
≤5%的冲板重量(一般在≤80mm) |
固体物料粒重
|
≤5%的冲板重量(一般在≤25mm) |
|
介质使用温度
|
≤180℃ |
介质使用温度
|
≤180℃ |
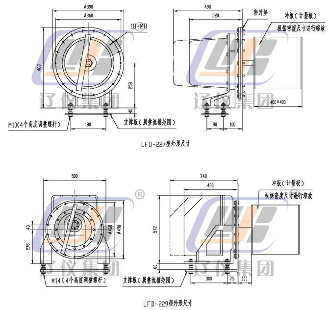
外形尺寸图: |

外形尺寸图: |

应用实例: |
|
计测管理
|
定量给料装置
|
|
高精度定量给料装置
|
间歇给料
|
|
比例配料
|
自动配料
|
Phone: 13352349933
Tel: 0419-2122560 0419-2123500
Email: lyyb1958@163.com
Add: 注册地址:辽宁省辽阳市白塔区卫国路67号 生产地址(邮寄地址):辽宁省辽阳市宏伟区光华街12号